Description
This is a short range application Bore Gauge Set that automatically self-centres via a centring bridge and offers you the following benefits:
- It reduces the influence of heat from the operator’s hand by 50% by making the grip hollow structured, thereby retaining high accuracy measurement.
- Interchangeable washers (0,5 mm thick) are supplied as standard accessories, so you can enable setting in small steps.
- Contact points are carbide (>18 mm range), giving you high durability and wear resistance.
| Inch-Metric: |
Metric
|
| Digital/Analog: |
Analog
|
| Range: |
18 – 35Â mm
|
| No. Dial Indicator: |
2046AB
|
| Stroke of contact point: |
1.2 mm
|
| Graduation: |
0.01 mm
|
| Accuracy: |
2 µm
|
| Repeatability: |
0.5 μm
|
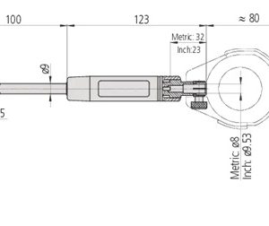
| Measuring depth: |
100 mm
|
| Measuring force: |
≤4 N
|
| Number of anvils: |
9
|
| Delivered: |
In a box with bore gauge 511-701, dial indicator 2046AB, plastic cover for indicator 21DZA000, 9 anvils, 2 interchangeable washers, spanner 102148
|
| Mass: |
330Â g
|






Reviews
There are no reviews yet.